تریستور فست دیسکی (Distributed Gate Thyristor) 1700 آمپر 2100 ولت R1700MC21H ساخت شرکت WESTCODE UK IXYS انگلیس
شرکت لیتل فیوز Littelfuse به عنوان رهبر جهانی در فناوری گیت توزیع شده (Distributed Gate Technology) شناخته شده است.
تریستور فست دیسکی R1700MC21H با ولتاژ مسدود کننده (Blocking Voltages) به 4.5 کیلو ولت (4.5kV)، جریانهای متوسط بیش از 5 کیلو آمپر(5kA) و دارای رتبه tq از 10 میکرو ثانیه (10µs) در دسترس هستند.
طراحی منحصر به فرد تریستور با گیت توزیع شده (Distributed Gate Technology) و ویژگی های کنترل طول عمر این تریستور ها را به قابلیت di/dt بالا، سرعت عملکرد بالا (فست) و همچنین خاموش کردن سریع بازیابی (low recovery turn-off) می دهد، در حالی که افت ولتاژ کم در کاری را حفظ می کند.
تریستور یا تایریستور (Thyristor)، یک نیمه رسانای قدرت است که به صورت یک قطعهٔ چهارلایهای P-N-P-N ساخته میشود، تریستور سه پایانهٔ آند، کاتد و گِیت دارد، پایهٔ آند با A، کاتد با K، و گیت با G نمایش داده میشوند.
آند و کاتد به مدار قدرت متصل میشوند و گیت به مدار کنترل وصل شده و جریان به مراتب کمتری میکشد. از تریستور در دو حالت پایدار روشن و خاموش استفاده میشود.
در این نوع از تریستورها سرعت سوئیچ از 25 تا 50 میکرو ثانیه است و کموتاسیون اجباری دارند.افت ولتاژ مستقیم تریستور در حالت روشن ، تقریبا تابع معکوسی از زمان خاموش شدن می باشد.
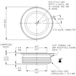
ویژگی های تریستور فست دیسکی (Distributed Gate Thyristor) R1700MC21H ساخت شرکت WESTCODE UK IXYS انگلیس:
- دارای ولتاژ 2100 ولت
- سرعت قطع و وصل (Tq)40 میکرو ثانیه (40μs)
- جریان لحظه ای 1700 آمپر
- جنس بدنه سرامیکی
- رنج دمای کارکرد 55 درجه سانتیگراد
- جریان متوسط (average current) بالا
- مقاومت حرارتی کم
- خنک کننده دو طرفه
- قطعات بهینه شده دارای رتبه فعلی جریان بالاتر و طراحی مکانیکی پیشرفته برای حداکثر نسبت توان به پکیج هستند
- استاندارد صنعتی، بسته های کاملاً هرمتیک (Hermetic)
- مناسب برای کاربردهایی با حداکثر فرکانس سوییچینگ 20 کیلوهرتز
کاربرد های تریستور فست دیسکی (Distributed Gate Thyristor) R1700MC21H ساخت شرکت WESTCODE UK IXYS انگلیس:
- منبع تغذیه القایی
- کوره های القایی
- گرم شدن بیلت
- گوره های القایی پیشگرم
- منبع تغذیه رزونانسی
- اینورتر و کانورتر (مبدل) فرکانس بالا
- منابع تغذیه بدون وقفه (یو پی اس UPS)
- منابع تغذیه پالس
این تریستور را تحت عنوان تریستور اینورتر در کوره های القایی نیز می شناسند.
هرجایی که نیاز به سرعت بالا در قطع و وصل باشد مثل اینورترها و یکسوکننده های دو جهته میتوان از آنها استفاده کرد.
برای دریافت جزئیات بیشتر فنی، لطفا با پشتیبان فنی بازرگانی فنی مهندسی کلینیک برق بین الملل تماس حاصل فرمایید.













مهدی نیرومند –
هر نیمه هادی خریدم خوب بوده و بدون مشکل
تشکر از این فروشگاه و گروه کارامدشون
مدیر سایت –
با تشکر از لطف و همراهی شما
رضا شاه عباسی –
بهتون پیشنهاد میکنم بخرید ضرر نمیکنید بهترین تریستورهارو کلینیک داره
مدیر سایت –
با تشکر از لطف و همراهی شما
سامان قاسمی –
سلام ممنون از دوستان کلینیک هم قیمت مناسب بود و هم ارسال به موقع انجام شد
مدیر سایت –
با سپاس از همراهی و اعتماد شما